南方離心泵

應用領域:
工業設施、供水系統、鍋爐給水和冷凝系統、冷卻和空調系統、水處理、消防系統
材質:
不銹鋼
產品說明:
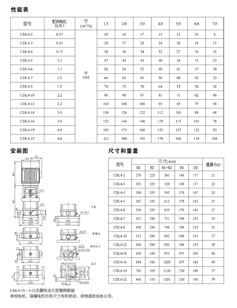
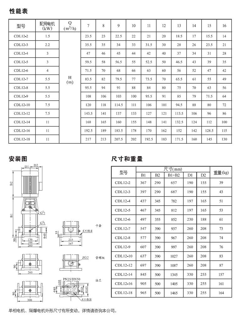
南方CDL,CDLF非自吸輕型立式多級離心泵,電機軸通過聯軸器直接與泵軸聯接,葉輪導葉采用不銹鋼板沖壓焊接或不銹鋼精密鑄造制成,泵進出水口在泵底同一直線上(可配IEC或NEMA電機)。
性能及優點:
高效節能、結構緊湊、整體便拆密封,維修方便、管道式安裝、安裝空間小
技術參數:
流量:0.4m3/h~240m3/h
揚程:4m~305m
功率:0.37kW~110kW
液體溫度:-15℃~+120℃
頻率:50Hz/60Hz














相關產品


